北弘产品

咨询热线:
13931762407
邮件: 125854791@qq.com
电话:0317-8285333
地址: 河北-泊头市
-
产品详情
流量 Q 功率KW 型号
KCB-300齿轮油泵主要有齿轮、轴、泵体、泵盖、轴承套、轴端密封(特殊要求,可选用磁力驱动,零泄露结构)等组成。生产过程实行质量监控,各环节经层层质量检验,为用户产品长期稳定运作提供保障。
KCB-300齿轮油泵的齿轮均选用好的合金钢,经调质,滚齿-热处理(高频淬火,渗碳,氮化)剃齿,磨齿精加工而成,轴硬度强度高,齿面精度高,运转噪音低,脉冲小,寿命更长;
KCB-300齿轮油泵内设计合理的泄油和回油槽,使齿轮在工作中承受的扭矩力小,因此轴承负荷小、磨损小,泵效率更高;
泵设有保护阀作超载保护,保护阀的全回流压力为泵额定排除压力的1.5倍,也可在允许排除压力范围内根据实际需要另外调整,但本保护阀不能做减压阀长期工作,从主轴外伸端向泵看为顺时针旋转;
KCB-300齿轮油泵内全部零件的润滑均在泵工作时利用输送介质而自动达到;
KCB-300齿轮油泵主传动齿轮是四个斜齿轮组成的人字形齿轮组,差压式安全阀。
KCB-300齿轮油泵采用三爪式弹性联轴器与电动机组成的油泵机组。
KCB齿轮油泵本系列齿轮轮油泵结构简单紧凑,使用维护方便,运转平稳,使用安全可靠。
从主轴外伸端向泵看,为顺时针旋转。
KCB-300齿轮油泵适用于输送不含固体颗粒和纤维,无腐蚀性,温度不高于80℃,粘度为5×10-6~1.5×10-3m2/s(5-1500cSt)的润滑油或性质类似润滑油的其他液体以及用于液压转动系统。
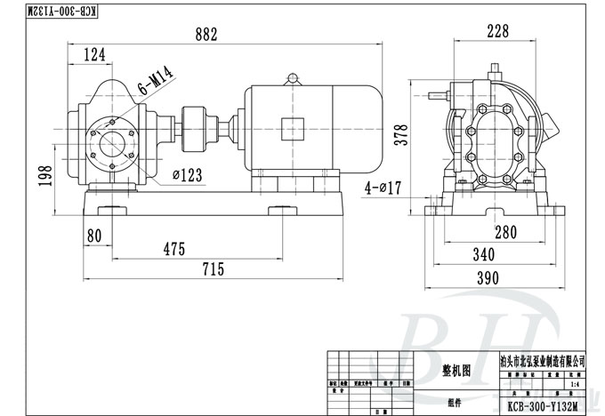
KCB-300齿轮油泵机安装尺寸图
KCB齿轮油泵性能参数:型号 转速 n
r/min排出压力 p
Mpa必需汽
蚀余量
r
m效率
η
%电动机 m3/h L/min KCB-18.3 1.1 18.3 1400 1.45 5 44 1.5 Y90L-4 2CY-1.1/1.45 KCB-33.3 2 33.3 1420 1.45 5 44 2.2 Y100L1-4 2CY-2/1.45 kcb-55 3.3 55 1400 0.33 7 41 1.5 Y90L-4 2CY-3.3/0.33 KCB-83.3 5 83.3 1420 0.33 7 43 2.2 Y100L1-4 2CY-5/0.33 KCB-135 8 135 940 0.33 5 46 2.2 Y112M-6 2CY-8/0.33 KCB-200 12 200 1440 0.33 5 46 4 Y112M-4 2CY-12/0.33 KCB-300 18 300 960 0.36 5 42 5.5 Y132M2-6 2CY-18/0.36 KCB-483.3 29 483.3 1440 0.36 5.5 42 11 Y160M-4 2CY-29/0.36 KCB-633 38 633 970 0.28 6 43 11 Y160L-6