北弘产品

咨询热线:
13931762407
邮件: 125854791@qq.com
电话:0317-8285333
地址: 河北-泊头市
-
产品详情
一、YCB8-0.6圆弧齿轮油泵概述与特点: 二、YCB8-0.6圆弧齿轮油泵用途: 三、YCB型圆弧齿轮泵应用范围: 四、YCB8-0.6圆弧齿轮油泵电机过热原因 五、YCB8-0.6圆弧齿轮油泵使用注意事项 七、YCB圆弧齿轮泵性能参数表
YCB8-0.6圆弧齿轮油泵采用了双圆弧加正弦曲线复合成齿形,可淘汰渐开线齿轮输送泵。曾获科技成果项目,圆弧齿轮在两啮合齿廓间为一点连续接触,不会产生困油现象,解决了渐开线齿轮泵因困油现象导致泵的振动、噪声、轴承负载增大等现象。因此圆弧齿轮泵效率高、噪声低,并具有良好的节能效果。
YCB8-0.6圆弧齿轮油泵主要有齿轮、轴、泵体、泵盖、轴承套、轴端密封等组成。齿轮采用双圆弧正弦曲线齿形制造。
YCB8-0.6圆弧齿轮油泵设有安全阀作为超载保护,安全阀全回流压力为泵额定排出压力的1.5倍。也可在允许排出压力范围内根据实际需要另行调整。但注意本安全阀不能作减压阀长期工作,需要时可在管路上另行安装。
YCB8-0.6圆弧齿轮油泵轴端密封设计为两种形式,一种为机械密封,一种是填料密封,可根据具体使用情况和用户要求确定。
YCB8-0.6圆弧齿轮油泵主要用于各种机械设备中的润滑系统中输送润滑油,适用于输送粘度为5×10-6~1.5×10-3m2/s (5-1500cSt),温度在200℃以下的具有润滑性的油料。本系列泵除配置普通电机外,还可根据用户需要配置同规格的防爆电机。
1、YCB圆弧泵在输油系统中可用作传输,增压泵;
2、在燃油系统中可用作输送,加压,喷射的燃油泵;
3、在液压传动系统中可用作提供液压动力的液压泵;
4、在一切工业领域中,均可作润滑油泵用。
1、使用范围(流量、扬程)超过齿轮油泵设计要求
2、介质比重超过齿轮油泵配置电机
3、填料压盖压的太紧或机械密封弹簧调的太紧
4、泵装配质量差,有摩擦处或电机与泵轴不同心
1、YCB8-0.6圆弧齿轮油泵使用规定电压线路电压不超过泵铭牌上所规定电压的±10%方可使用。
2、YCB8-0.6圆弧齿轮油泵结构示意图装配,接上电动机。
(1)接好进出口管道严禁漏气,进出口不要接反。
(2)电机接上电源,测试电机旋转方向。
3、YCB8-0.6圆弧齿轮油泵使用前检查各部件外型完好才能开机使用。
4、YCB8-0.6圆弧齿轮油泵不宜作空运转,使用时,抽吸完毕,即停泵,否则会加速齿轮密封件轴承等磨损。
5、YCB8-0.6圆弧齿轮油泵防止过载,使用时,凡遇转速异常或降低时,应即停机检查。
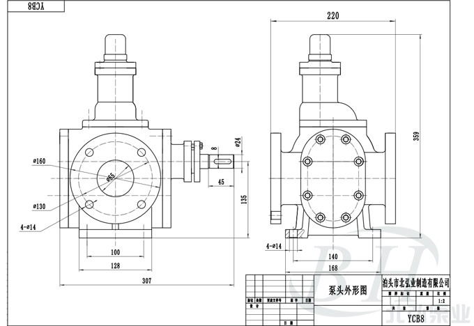
六、YCB8-0.6圆弧齿轮油泵尺寸图
型号 流量
Q转速
n
r/min排出压力
p Mpa必需汽
蚀余量
rm效率
η%电动机 m3/h 频率
Hz功率KW 型号 YCB0.6-0.6 0.6 910 0.6 5.5 32 50 0.75 Y90S-6 1.0 1390 50 0.75 Y80L2-4 0.7 1130 60 0.75 Y90S-6 1.2 1710 60 0.75 Y80L2-4 YCB0.6-1.6 0.6 910 1.6 7.0 70 50 1.1 Y90L-6 1.0 1400 50 1.5 Y90L-4 0.7 1130 60 1.1 Y90L-6 1.2 1710 60 1.1 Y90S-4 YCB1.6-0.6 1.6 910 0.6 5.5 42 50 0.75 Y90S-6 2.5 1400 50 1.1 Y90S-4 1.9 1130 60 1.1 Y90L-6 3.0 1710 60 1.5 Y90L-4 YCB1.6-1.6 1.6 940 1.6 7.0 71 50 2.2 Y112M-6 2.5 1440 50 4 Y112M-4 1.9 1150 60 2.2 Y112M-6 3.0 1750 60 4 Y112M-4 YCB3.3-0.6 3.3 940 0.6 5.0 60 50 1.5 Y100L-6 5.0 1420 50 2.2 Y100L1-4 4.0 1150 60 1.5 Y100L-6 6.0 1730 60 2.2 Y100L1-4 YCB3.3-1.6 3.3 960 1.6 7.0 72 50 5.5 Y132M2-6 5.0 1440 50 7.5 Y132M-4 4.0 1170 60 4 Y132M1-6 6.0 1750 60 7.5 Y132M-4 YCB4-0.6 4.0 940 0.6 5.0 60 50 1.5 Y100L-6 6.0 1420 50 2.2 Y100L1-4 4.8 1150 60 2.2 Y112M-6 7.2 1730 60 3 Y100L2-4 YCB4-1.6 4.0 960 1.6 7.0 72 50 5.5 Y132M2-6 6.0 1440 50 7.5 Y132M-4 4.8 1170 60 5.5 Y132M-6 7.2 1750 60 7.5 Y132M-4 YCB8-0.6 8.0 960 0.6 5.0 61 50 3 Y132S-6 12.0 1440 50 5.5 Y132S-4 9.6 1170 60 4 Y132M1-6 14.4 1750 60 5.5 Y132S-4 YCB8-1.6 8.0 970 1.6 7.0 75 50 11 Y160L-6 12.0 1460 50 15 Y160L-4 9.6 1170 60 11 Y160L-6 14.4 1760 60 15 Y160L-4 YCB10-0.6 10.0 960 0.6 5.0 62 50 4 Y132M1-6 15.0 1440 50 5.5 Y132S-4 12.0 1170 60 5.5 Y132M2-6 18.0 1750 60 7.5 Y132M-4 YCB10-1.6 10.0 970 1.6 7.0 76 50 11 Y160L-6 15.0 1470 50 15 Y160L-4 12.0 1170 60 11 Y160L-6 18.0 1770 60 18.5 Y160L-4 YCB20-0.6 20.0 970 0.6 5.0 68 50 7.5 Y160M-6 24.0 1170 60 7.5 Y160M-6 YCB25-0.6 25.0 970 0.6 5.5 69 50 11 Y160L-6 30.0 1170 60 11 Y160L-6 YCB30-0.6 30.0 970 0.6 5.5 70 50 11 Y160L-6 36.0 1170 60 11 Y160L-6 YCB40-0.6 40.0 970 0.6 5.5 72 50 15 Y180L-6 48.0 1180 60 15 Y180L-6 YCB50-0.6 50.0 970 0.6 5.5 72 50 22 Y200L2-6 60.0 1180 60 22 Y200L2-6