北弘产品

咨询热线:
13931762407
邮件: 125854791@qq.com
电话:0317-8285333
地址: 河北-泊头市
-
产品详情
YCB30-0.6圆弧齿轮泵用途: YCB圆弧齿轮泵结构特点: YCB圆弧齿轮泵应用范围: YCB30-0.6圆弧齿轮泵组安装时注意事项 YCB30-0.6圆弧齿轮泵首次启动前注意事项: YCB圆弧齿轮泵性能参数表
适用于输送不含固体颗粒和纤维,无腐蚀性,温度不高于80℃,粘度为5×10-6~1.5×10-3m2/s(5-1500cSt)的润滑油或性质类似润滑油的其它液体,以及用于液压传动系统。
YCB30-0.6圆弧齿轮泵主要有齿轮、轴、泵体、泵盖、轴承套、轴端密封等组成。齿轮采用双圆弧正弦曲线齿形制造。它与渐开线齿轮相比突出的优点是齿轮啮合过程中齿廓面没有相对滑动,所以齿面无磨损,运转平稳,无因液现象,噪音低、寿命长、效率高。该泵摆脱了传统设计的束缚,使得齿轮泵在设计、生产和使用上进入了一个新的领域。
YCB30-0.6圆弧齿轮泵设有安全阀作为超载保护,安全阀全回流压力为泵额定排出压力的1.5倍。也可在允许排出压力范围内根据实际需要另行调整。但注意本安全阀不能作减压阀长期工作,需要时可在管路上另行安装。
泵轴端密封设计为两种形式,一种为机械密封,一种是填料密封,可根据具体使用情况和用户要求确定。
从主轴外伸端向泵看,为顺时针旋转。
在输油系统中可用作传输,增压泵;
在燃油系统中可用作输送,加压,喷射的燃油泵;
在液压传动系统中可用作提供液压动力的液压泵;
在一切工业领域中,均可作润滑油泵用。
在安装YCB30-0.6圆弧齿轮泵时泵进口禁止有急据弯头,尽量可能向下倾斜30度左右,以方便排除进口管道的空气,达到理想的吸液状态,避免造成气蚀现象,启动YCB30-0.6圆弧齿轮泵之前应盘动联轴器无卡死以及盘动困难的现象,在使用过程中应该掌握YCB30-0.6圆弧齿轮泵的运转周期定期更换备件和轴承以防出事故耽误生产。进口流量过少不宜运行,以避免引起震动。
1 启动前检查全部管路法兰,接头的密封性。
2 盘动联轴器,无摩擦及碰撞声音。
3 首次启动应向泵内注入输送液体。
4 启动前应全开吸入和排出管路中的阀门,严禁闭阀启动。
5 验证电机转动方向后,启动电机。
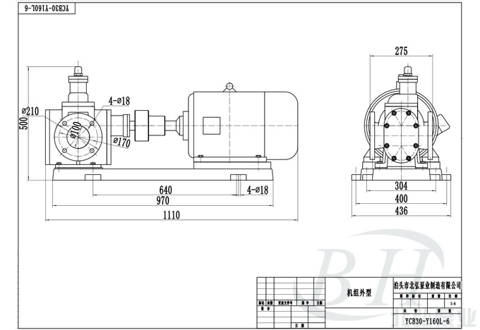
YCB30-0.6圆弧齿轮泵机组外形尺寸图型号 流量
Q转速
n
r/min排出压力
p Mpa必需汽
蚀余量
rm效率
η%电动机 m3/h 频率
Hz功率KW 型号 YCB0.6-0.6 0.6 910 0.6 5.5 32 50 0.75 Y90S-6 1.0 1390 50 0.75 Y80L2-4 0.7 1130 60 0.75 Y90S-6 1.2 1710 60 0.75 Y80L2-4 YCB0.6-1.6 0.6 910 1.6 7.0 70 50 1.1 Y90L-6 1.0 1400 50 1.5 Y90L-4 0.7 1130 60 1.1 Y90L-6 1.2 1710 60 1.1 Y90S-4 YCB1.6-0.6 1.6 910 0.6 5.5 42 50 0.75 Y90S-6 2.5 1400 50 1.1 Y90S-4 1.9 1130 60 1.1 Y90L-6 3.0 1710 60 1.5 Y90L-4 YCB1.6-1.6 1.6 940 1.6 7.0 71 50 2.2 Y112M-6 2.5 1440 50 4 Y112M-4 1.9 1150 60 2.2 Y112M-6 3.0 1750 60 4 Y112M-4 YCB3.3-0.6 3.3 940 0.6 5.0 60 50 1.5 Y100L-6 5.0 1420 50 2.2 Y100L1-4 4.0 1150 60 1.5 Y100L-6 6.0 1730 60 2.2 Y100L1-4 YCB3.3-1.6 3.3 960 1.6 7.0 72 50 5.5 Y132M2-6 5.0 1440 50 7.5 Y132M-4 4.0 1170 60 4 Y132M1-6 6.0 1750 60 7.5 Y132M-4 YCB4-0.6 4.0 940 0.6 5.0 60 50 1.5 Y100L-6 6.0 1420 50 2.2 Y100L1-4 4.8 1150 60 2.2 Y112M-6 7.2 1730 60 3 Y100L2-4 YCB4-1.6 4.0 960 1.6 7.0 72 50 5.5 Y132M2-6 6.0 1440 50 7.5 Y132M-4 4.8 1170 60 5.5 Y132M-6 7.2 1750 60 7.5 Y132M-4 YCB8-0.6 8.0 960 0.6 5.0 61 50 3 Y132S-6 12.0 1440 50 5.5 Y132S-4 9.6 1170 60 4 Y132M1-6 14.4 1750 60 5.5 Y132S-4 YCB8-1.6 8.0 970 1.6 7.0 75 50 11 Y160L-6 12.0 1460 50 15 Y160L-4 9.6 1170 60 11 Y160L-6 14.4 1760 60 15 Y160L-4 YCB10-0.6 10.0 960 0.6 5.0 62 50 4 Y132M1-6 15.0 1440 50 5.5 Y132S-4 12.0 1170 60 5.5 Y132M2-6 18.0 1750 60 7.5 Y132M-4 YCB10-1.6 10.0 970 1.6 7.0 76 50 11 Y160L-6 15.0 1470 50 15 Y160L-4 12.0 1170 60 11 Y160L-6 18.0 1770 60 18.5 Y160L-4 YCB20-0.6 20.0 970 0.6 5.0 68 50 7.5 Y160M-6 24.0 1170 60 7.5 Y160M-6 YCB25-0.6 25.0 970 0.6 5.5 69 50 11 Y160L-6 30.0 1170 60 11 Y160L-6 YCB30-0.6 30.0 970 0.6 5.5 70 50 11 Y160L-6 36.0 1170 60 11 Y160L-6 YCB40-0.6 40.0 970 0.6 5.5 72 50 15 Y180L-6 48.0 1180 60 15 Y180L-6 YCB50-0.6 50.0 970 0.6 5.5 72 50 22 Y200L2-6 60.0 1180 60 22 Y200L2-6